原理特點
印染污水流量計:印染污水流量計是根據流量傳感器的流量信號和配對溫度傳感器檢測的供回水溫度信號,以及水流經的時間計算并顯示該系統所釋放或吸收的熱量。
FE30H印染污水流量計測量原理基于法拉第電磁感應定律:導電液體在磁場中切割磁力線運動時,導體中產生感應電勢,感應電勢為E:
E=KBVD
式中:K——–儀表常數
式中:B——–磁感應強度
式中:V——–測量管截面內的平均流速
式中:D——–測量管道截面的內徑
測量流量時,導電性液體以速度V流過垂直于流量方向的磁場,導電性液體的流動感應出一個與平均流速成正比的電壓,其感應電壓信號通過二個或二個以上與液體直接接觸的感應電極檢出,并通過電纜送至轉換器通過其智能化處理,實現流體瞬時流量、積累流量的顯示及流量數據與控制系統之間的通訊。測量管內無活動及阻流部件,因此幾乎沒有壓力損失,并且有很高的可靠性。
電磁熱量表把電磁流量計和配對溫度傳感器有機地結合在一起,利用電磁流量計測量流量,結合配對溫度傳感器(PT1000) ,能計算、累積、存儲和顯示熱交換回路中吸收或釋放的熱量。FE30H電磁熱量表的流量、能量計算單元CPU及采樣模塊均采用ARM單片機,其內存容量大,可靠性高,熱量計算能真正實現焓值計算,達到高準確度。
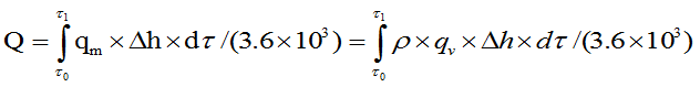
FE30H印染污水流量計是根據流量傳感器的流量信號和配對溫度傳感器檢測的供回水溫度信號,以及水流經的時間計算并顯示該系統所釋放或吸收的熱量。熱量以量計形式顯示,單位KWh,分辨力1KWh,最大顯示9位。 數學計算模型如下:

式中: Q-系統釋放或吸收的熱量,單位為KWh; qm-流經熱量表的水的質量流量,單位為kg/h; qv-流經熱量表的水的體積流量,單位為m3/h; ρ-流經熱量表的水的密度,單位為kg/m3; △h-在熱交換系統進口和出口溫度下水的焓值差。單位為kJ/kg; τ-時間,單位為h.
結構外觀 
法蘭連接式

螺紋連接式

●電磁熱能計是一種測量體積流量的儀表,測量的結果與流速分布,流量壓力,溫度,密度,粘度等物理參數無關
●測量管內無活動部件,便于維護管理,所以傳感器的使用壽命長;無阻流部件,無壓力損失
●被測液體電導率最低可達5μS/cm,配合各種襯里材料,可適用于測量各種酸、堿介質的流量,精準度較高,通常流量精度為±0.5%
●高清晰度背光LCD顯示,漢英菜單操作,使用方便,操作簡單,易學易懂
●轉換器性能可靠、精度高、功耗低、零點穩定、參數設定方便、LCD顯示,可以顯示累計流量、流速、流量百分比等參數
●進水方向為雙向均可,安裝不受限制。雙向測量系統,可測量正向流量,反向流量
●全數字量的處理,抗干擾能力強,測量可靠,精度高,流量測量范圍可達150:1
●超低EMI開關電源,使用電源電壓變化范圍大,抗EMC好
●具有RS485數字通訊信號輸出
●可匹配空調采暖循環系統普遍較差的水質進行應用
●可顯示累計熱量、累計流量、瞬時流量、流速、供水溫度、回水溫度等參數。
●隨水溫的變化修正,保證在不同水溫下計量準確
●多級密碼設置功能,防止數據被惡意修改
| 公稱通徑(mm): | 管道式四氟襯里:DN10~DN800 | 流速范圍: | 0.3-12m/s | |||||
| 管道式橡膠襯里:DN40~DN800(特殊規格可定制) | 電導率范圍: | 被測流體電導率≥5μs/cm | ||||||
| 溫差范圍: | 2~75℃ | 電流輸出: | 負載電阻 | 4~20mA:0~750 KΩ | ||||
| 測溫范圍: | 4~95℃ | 供電電源: | AC220V | |||||
| 溫度分辨率: | 0.01℃ | 消耗總功率: | 小于20W | |||||
| 精確度: | 0.1℃ | 鏈接方式: | 流量計與配管之間可采用法蘭、螺紋鏈接 | |||||
| 被測介質溫度: | 高溫橡膠襯里:-20~+90℃ | 環境濕度: | <90%r.h(非冷凝) | |||||
| 聚四氟乙稀襯里:-30~+100℃ | 防護等級: | IP65 | ||||||
| 高溫型四氟襯里:-20~+180℃ | 環境溫度: | -25~+60℃(特殊工況下請咨詢工程師) | ||||||
| 額定工作壓力: (高壓可定制) | DN15-DN80:≤2.5MPa | 要求直管段長度: | 上游≥5DN,下游≥2DN | |||||
| DN80-DN150:≤1.6MPa | 執行標準: | DIN EN 1092-1-2002 | ||||||
| DN200-DN800:≤1.0MPa | 銷售使用地標準(訂貨備注) | |||||||
| 顯示單位: | m³/H、m³/M、m³/S、L/H、L/M、L/S、G/H、G/M、G/S(H=Hour M=Minute S=Second) | LVD 2006/95/EC&EMC 2004/108/EC | ||||||
| EN 61326-1::2006輻射標準(BS EN50081-1) | ||||||||
| EN 61326-1::2006抗干擾標準(BS EN50082-1) | ||||||||
| EN 61010-1:2001設備安全要求:一般要求 | ||||||||

液體電導率最低可達5μS/cm

注: 對于含有固體顆粒的液體或者漿液建議垂直安裝,流向由下至上,這是因為雜質容易在測量管底部產生沉淀,具體安裝參照直管段安裝說明
用于中央空調系統冷/熱量計量和采暖市場供熱計量
| 流體名稱、成分、電導率 | 確定是否能用電磁熱能計來測量 |
| 流體最高溫度、最低溫度、腐蝕性、磨損性、是否有負壓 | 確定是否能用電磁熱能計、選擇何種內襯、電極材料 |
| 管道內外徑(mm)、常用流量、正常流量、最小流量 | 確定選擇何種口徑的電磁熱能計 |
| 最高操作壓力和最底操作壓力 | 確定熱能計的壓力等級 |
| 安裝要求 | 確定選擇一體型還是分體型結構,分體電纜長度 |
| 安裝環境 | 確定熱能計的防護等級 |
●實際最高工作壓力必須小于電磁熱能計的額定工作壓力;
●最低工作溫度和最高工作溫度必須符合流量計量規定的溫度要求(詳見內襯材料表);
●從經濟性考慮,可以選擇適當流速所對應的口徑的電磁熱能計,相對減少投資(見流量范圍表);
●根據測量目的、功能來合理選擇相應的精度等級;
●根據介質的腐蝕性來選擇電磁熱能計的電極材料;
●根據介質的腐蝕性、磨損性、和溫度來選擇流量的內襯材料;
●根據安裝場合的要求及環境,來合理選擇使用一體型電磁熱能計還是分體型電磁熱能計。
| 公稱通徑(mm) | 可測流量范圍(m³/h) | 公稱通徑(mm) | 可測流量范圍(m³/h) | ||||
| 最小 | 最大 | 常用 | 最小 | 最大 | 常用 | ||
| 15 | 0.06 | 6.4 | 1.5 | 200 | 11.3 | 1130 | 250 |
| 20 | 0.11 | 11 | 2.5 | 250 | 17.66 | 1766 | 400 |
| 25 | 0.18 | 18 | 3.5 | 300 | 25.43 | 2543 | 600 |
| 32 | 0.29 | 29 | 6 | 350 | 34.62 | 3460 | 750 |
| 40 | 0.45 | 45 | 10 | 400 | 45.22 | 4522 | 900 |
| 50 | 0.71 | 71 | 15 | 450 | 57.23 | 5723 | 1200 |
| 65 | 1.19 | 119 | 25 | 500 | 70.65 | 7065 | 1500 |
| 80 | 1.81 | 181 | 40 | 600 | 101.74 | 10174 | 2500 |
| 100 | 2.83 | 283 | 60 | 700 | 138.47 | 13847 | 4000 |
| 125 | 4.42 | 442 | 100 | 800 | 180.86 | 18086 | 5000 |
| 150 | 6.36 | 636 | 150 | ||||
| 材料類型 | 主要性能 | 適用范圍 |
| 聚氯丁橡膠 | 耐磨性好,有極好的彈性,高扯斷力耐一般低濃度酸堿鹽介質的腐蝕,不耐氧化性介質的腐蝕。 | <90°C,一般水,污水,泥漿,礦漿 |
| 聚四氟乙烯PTFE | 化學性能最穩定的一種材料,能耐沸騰的鹽酸、硫酸、硝酸和王水,濃堿和各種有機溶劑,不耐三氟化氯、高溫二氟化氧。 | 濃酸、堿等強腐蝕性介質,衛生類介質(聚四氟乙稀襯里:-30~+100℃; 高溫型四氟襯里:-20~+180℃) |
| 材質 | 耐腐蝕性能 |
| 316L不銹鋼 | 適用:工業用水、生活用水、污水,應用場合廣泛。 |
| 哈氏合金HB | 耐沸點下一切濃度的鹽酸、硫酸、氫氟酸有機酸等非氧化性酸、堿、非氯化性鹽酸。 不適用:硝酸 |
| 哈氏合金HC | 耐氧化性酸如:硝酸、混酸或鉻酸與硫酸的混合物及氧化性鹽類、海水。 不適用:鹽酸 |
分體型分體型是電磁熱能計較普遍的應用形式。傳感器單獨接在工藝管道上,轉換器安裝在相聚數米或百余米的其他地方,中間用電纜相連接。分體型的熱能計可以使得轉換器遠離環境比較惡劣的現場,也便于觀測和調整設定的參數。
一體型一體型是將轉換器和傳感器組裝在一起成為一個整體,連接線在儀表內部,使用比較簡便,由于不常用電纜,外界干擾也比較小。一體型的流量計一般用于小口徑的儀表,若傳感器安裝在高處或難于觀測的場合,高溫或有較大振動的場合,轉換器的電子元件較難承受,則不宜使用一體型的電磁熱能計。
(1)接地環的形式分普遍型和保護型,一般使用普遍型,若被測介質是磨損性的,宜使用帶頸的保護接地環,以保護進出口端的襯里,延長使用壽命。若口徑在200以下的電磁流量計,選用聚四乙烯襯里時,應選用接地環,以保證在與管道連接安裝時保護襯里不受損壞。
(2)接地環的材質應與被測介質的腐蝕性形適應,但比電極材質的要求低,因為它受到腐蝕后可以更換。接地環通常是不銹鋼或Hc合金的。
| IP65:防塵防噴水型 | 允許水龍頭從任何方向對傳感器噴水,噴水壓力為30KPa,出水量為12.5L/min。距離為3m |
| IP67:防塵防侵水型 | 防短時間侵水,侵水1m的水中約30min后,外殼侵水量不至達到有害程度 |
| IP68:防塵防潛水型 | 傳感器長期在水中工作 |
傳感器的耐壓與其內徑有關。按產品應用地國家有關標準規定,對于標準型鋼管及法蘭,其最大耐壓如下:
| 口徑 | 耐壓 |
| DN-10~80 | 4.0MPa |
| DN-100~150 | 1.6MPa |
| DN-200~800 | 1.0MPa |
注:1.如果傳感器內流體的壓力超過上述最大耐壓,就屬于加壓型,需要特殊定制
2.除了聚四乙烯襯里的傳感器以外,其他襯里的傳感器都可以工作在管道負壓的狀態下
一體式 分體式

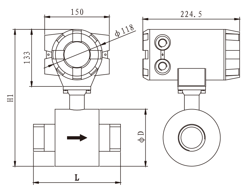
FE30H外形尺寸 (法蘭型:DN15 to DN50:PN40 ;DN65 to DN200;PN16 ; DN250 to DN800 :PN10 ,其他PN6)
| 尺寸(mm) | 法蘭斷面之間尺寸 L(mm) | 法蘭外徑D(mm) | 高度H1(mm) | 高度H2(mm) | |||||||||||||
| PTFE內襯 | 橡膠內襯 | ||||||||||||||||
| 15 | – | – | 95 | 277 | 214 | ||||||||||||
| 20 | – | – | 105 | 284 | 221 | ||||||||||||
| 25 | 156 | – | 115 | 293 | 230 | ||||||||||||
| 32 | 156 | – | 140 | 304 | 241 | ||||||||||||
| 40 | 196 | – | 150 | 317 | 254 | ||||||||||||
| 50 | 196 | – | 165 | 331 | 268 | ||||||||||||
| 65 | 200 | 200 | 185 | 348 | 285 | ||||||||||||
| 80 | 200 | 200 | 200 | 363 | 300 | ||||||||||||
| 100 | 250 | 250 | 220 | 382 | 319 | ||||||||||||
| 125 | 250 | 250 | 250 | 414 | 351 | ||||||||||||
| 150 | 300 | 300 | 285 | 445 | 382 | ||||||||||||
| 200 | 350 | 350 | 340 | 506 | 443 | ||||||||||||
| 250 | 400 | 400 | 395 | 559 | 496 | ||||||||||||
| 300 | 500 | 500 | 445 | 609 | 546 | ||||||||||||
| 350 | 500 | 500 | 505 | 645 | 582 | ||||||||||||
| 400 | 600 | 600 | 565 | 698 | 635 | ||||||||||||
| 450 | 600 | 600 | 615 | 748 | 685 | ||||||||||||
| 500 | 600 | 600 | 670 | 803 | 740 | ||||||||||||
| 600 | 600 | 600 | 780 | 910 | 847 | ||||||||||||
| 700 | 700 | 700 | 895 | 1046 | 983 | ||||||||||||
| 800 | 800 | 800 | 1010 | 1154 | 1091 | ||||||||||||

| 尺寸(mm) | 表體端面尺寸 | 外徑D | H1(mm) | 螺紋規格 | |||
| L(mm) | |||||||
| 15 | 160 | 89 | 272 | G1 | |||
| 20 | 160 | 89 | 272 | G1 | |||
| 25 | 160 | 89 | 272 | G1-1/4 | |||
| 32 | 160 | 89 | 272 | G1-1/2 | |||
| 40 | 160 | 102 | 285 | G2 | |||
| 50 | 160 | 108 | 291 | G2-1/2 | |||
傳感器上下游直管段的要求:
為了在不同的應用條件下確保說明書所表述的精度,安裝傳感器時應從電極面上游安裝五倍管徑的直管段,下游安裝三倍管徑的直管段,見下圖所示。這種安裝可以充分排出由于彎管、閥門或縮頸引起的干擾。當流量計前后的直管段不能滿足要求時,性能指標會有一定偏差。
傳感器接地要求:
在電磁熱能計傳感器于被測介質之間必須有一個可靠的接地路徑。接地的方式可以選擇接地電極,接地環和管道接地等三種方式。詳見選型表。

地址:上海市閔行區梅蓮工業園滬光東路89號2棟1層 (201108)
電話:021-54430662
傳真:021-52271113
郵箱:info@kewill-auto.com.cn