地址:上海市閔行區梅蓮工業園滬光東路89號2棟1層 (201108)
電話:021-54430662
傳真:021-52271113
郵箱:info@kewill-auto.com.cn
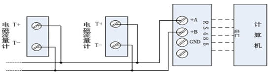
購買污水流量計,很多顧客又不知道如何去接線,首先我們應該了解他的通信功能,通信不同,接線方式就不一樣,下面我們一起來了解下污水處理廠流量計接線方法,希望對大家有所幫助。
污水流量計的應用場合
污水流量計又叫電磁流量計,電磁流量計應用領域廣泛。大口徑儀表較多應用于給排水工程,中小口徑常用于固液雙相等難測流體或高要求場所,如測量造紙工業紙漿液和黑液、有色冶金業的礦漿、選煤廠的煤漿、化學工業的強
腐蝕液體以及鋼鐵工業高爐風口冷卻水控制和監漏,長距離管道煤的水力輸送的流量測量和控制。小口徑、微小口徑常用于醫藥工業、食品工業、生物工程等有衛生要求的場所。
1、根據一體型和分離型電磁流量計的特點,選擇合適的類型。一體型安裝敷線方便,精度中等,不宜在地面以下安裝,以防轉換器被水淹沒。分離型精確度較高,轉換器與傳
感器異地安裝,更適合現場環境比較差(如有害、有毒、易受水淹沒等場所)的場合,但安裝、敷線較嚴格,否則易引入干擾信號。
2、選擇合適的電極形式。對于不產生結晶、結疤、不沾污電極的介質,可用標準電極,否則用式清垢電極或有清洗連接裝置的電極。對于測污泥場合,還可選用可換式電極。
3、根據被測介質的腐蝕性選擇電極材料。
污水處理廠流量計怎么接線





